DS rear heater

As an option the DS/ID could be ordered with a heater + fan unit mounted in the trunk. This option was mainly meant for cold countries like Canada, northern USA, Sweden, Norway etc.


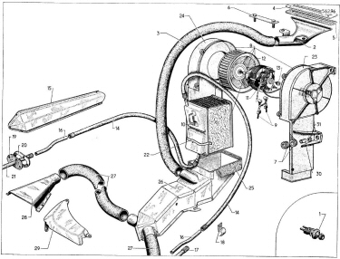
Figure 1. The parts that make up the optional -15°C rear heater located in the trunk. 


 

Figure 2. The heater box in the trunk. Figure 3. The rear window defroster nozzle and air tube.
Figure 4. The rear window defroster nozzle on the parcel shelf Figure 5. The rear window defroster nozzle (part no. 2 in the parts drawing)
Figure 6. The distribution nozzle under the rear seat cushion (part no. 28 in the parts drawing). Figure 7. The heater radiator + fan unit

Photos by Jint Nijman